
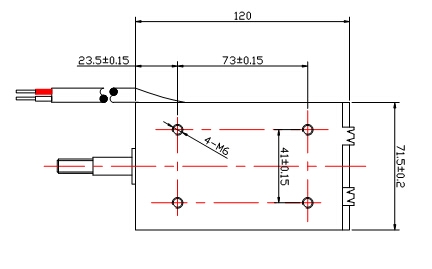
一:框架電磁鐵U30120詳細尺寸圖如下:



二:電磁鐵廠家U20130具體參數如下:
1,電磁鐵電壓:一般采用直流電供電(DC12V、24V、36V、48V、110V、220V),如果直接通交流點220V可加告知電磁鐵廠家加裝鎮流器和電子元器件轉換。
2,電磁鐵電流:此款電磁鐵電流可以做到10A,可以根據客戶力量的大小設計電流的大小(0.5-10A)。
3,電磁鐵行程:框架式電磁鐵U30120體積大適合大行程要求的客戶,行程可以做到5-40mm,根據客戶使用的要求和力度的要求而定。
4,電磁鐵力量:20mm時力度可以達到300N,最大力可做到600N,最小力可做到10N
5,電磁鐵壽命:典型壽命可以達到100萬次以上。
東莞磁心電磁科技有限公司研發生產各種類型的電磁鐵,有大行程電磁鐵、大力量電磁鐵。我們致力電磁鐵的研發和設計以及生產和制造。我們的團隊期待著您的來電和合作。
電磁鐵廠家---磁心科技,用心服務!